2014年2月号
連載記事
楽しいエレクトロニクス工作
JA3FMP 櫻井紀佳
第9回 周波数カウンターの製作2
周波数カウンターの回路やロジックの説明に入る前に全体的な回路図を下に示します。前回(第8回)で示したブロックダイヤグラムと見比べてください。この図の中からその機能毎に説明していきます。検討していく内に少し回路変更が必要になった時には、その時改めて回路図を提示します。
最初はHF帯の30MHzまでのカウントを考えていましたが、もしUHFまで使える1/10プリスケーラーが手に入ればアマチュア無線の144MHz帯や430MHz帯にも使えるため、50MHzまでのカウントを目標とします。
2.1 ロジック回路(論理回路)
この周波数カウンターに使われているロジック回路を説明します。ロジック回路はアナログ回路と違って入力と出力が直線ではなく、入力電圧があるレベルを境にして出力が0か1になります。このレベルを閾値(しきいち) (threshold level)と言います。今回使用するICは主にCMOSの74HCシリーズで、電源電圧は5Vを使用します。このため閾値は電源電圧の半分程度の2.5V位になっています。なお、CMOSでは電源電圧の30%以下をLレベル、70%以上をHレベルとしています。
・ インバーター
インバーターは単にロジックレベルを反転するものですが、ICの内部はCMOSのためPチャンネルとNチャンネルのFETで構成されています。今回使用したインバーター、は一部アナログ動作をさせたいため74HCU04を使いました。UはUnbufferの意味で、次の図のように段数が少なくゲインも低いため、アナログ動作に都合がよくなっています。Uの付いていないICでは、アナログ動作をさせると発振して正常に動作しないことがあります。Uの付いていないものは3段になっています。2段では反転したインバーターにならないので奇数段が必要です。
アナログアンプに使用したもの以外は逆にUが付いていないICが良いのですが、74HCシリーズのインバーターは1つのICに6個のインバーターが入っているので他の場所もこれを使います。


インバーターの動作は入力がLなら出力はH、入力がHなら出力はLとなり、信号を反転する単純なものです。

今回、信号増幅部にアンプとして使っているこのインバーターは、出力と入力を抵抗でつなぐと直流的に負帰還がかかり、入力側の電圧が閾値近くに保たれますので、そこに信号が入ると増幅されることになります。

入力に1V p-pの信号を入れると上図のような特性が得られました。maxはプラス側のピーク値、minはマイナス側のピーク値で2.7倍(約8.6dB)のゲインですが、このICのゲインは保証がありませんのでメーカーと、個々の部品の違いにより異なると思われます。
信号増幅後の回路はインバーターを2段接続して抵抗で正帰還をかけています。これをシュミットトリガーといい、このようにすることで入力信号がLからHになる電圧と、HからLになる電圧に履歴現象(ヒステリシス)が生じてこの間の細かいノイズを消すことができ、誤動作を防いでいます。

・ AND回路
AND回路は入力の両方がHの時に出力がHになります。AND回路は次のように表しますが、入力がLの時を考えるとどちらかがLであれば出力はLとなるのでLのORであるとも言えます。Lを主に考えるORとしての表し方では各端子に丸印をつけてアクティブLであることを示しています。

・ NAND回路
NAND回路はANDの出力を反転させたものです。ここでもアクティブLを考えるとANDと同様に表すことができます。

・ OR回路
今回の周波数カウンターには使われていませんが、ORについても説明しておきます。ANDとORの関係は次のようになっています。ORは入力のどちらかがHなら出力はHですが、アクティブLの考え方はANDの時と同様です。


・ D型フリップフロップ (D-FF)
D-FFは次のような動作をします。PRとCLは他の入力端子に関係なくプリセットとクリヤーの動作をします。PRとCLがHの時、CLKの立ち上がりでDの状態を読み込みます。CLKの立ち上がり以外の時にはその状態を保持しています。従ってDとQを接続すると、Qは直前ではHのためCLKの立ち上がりでQがHになり、次の立ち上がりではLになるため、CLKの1/2周期で変化するので、つまり1/2分周器として働きます。入力部は立ち上がりで動作しますが、立ち上がりと立ち下がりエッジは図のように表します。



・ 1/10カウンター (74HC390)
74HC390は2組の1/10カウンターが組み込まれています。1組の1/10カウンターは1/2と1/5に別れトータルで1/10になっています。2進カウンターの出力を5進カウンターに入力する方法とその逆の方法があります。2進カウンターを後にするとデューティ50%の出力波形が得られます。2進-5進のカウントの波形は図のようになっています。


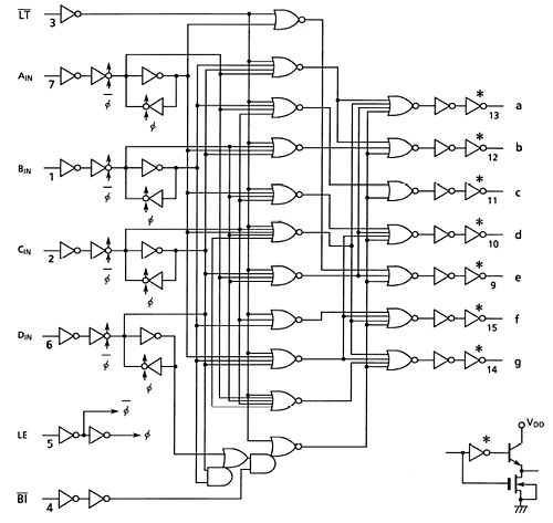
・ ラッチと表示ドライバー (TC4511)
カウントしたデータ信号を一時的に保持するのがラッチです。この表示ドライバーにはラッチの機能もついています。カウンターからのBCD※データをLEがLの時読み込み、Hの時はそのまま保持します。ラッチ回路は前に説明したD-FFそのものです。
※BCD: Binary-coded decimal(二進化十進数)
内部のBCDデコーダーはBCDのデータを7セグメント(以下7セグ)の表示に合うよう変換するものです。ドライバー出力は直接7セグLEDを駆動することができます。今回は7セグLEDラッチドライバーの出力がHの時に点灯させるため、7セグLEDはカソードコモンのものを使用します。各セグメントのLEDに流す電流はドライバー出力とLEDの間に直列に抵抗を入れて調整します。


今回は周波数カウンターに使っているロジック回路を中心に説明してきましたが、次回は信号増幅回路やタイミング回路、表示回路等の説明をしたいと思います。





