2013年11月号
連載記事
楽しいエレクトロニクス工作
JA3FMP 櫻井紀佳
第6回 送信機
今回からSSBの送信機の製作に入ります。連載の最初の方で記載したように7MHzのLSB送信機です。先に説明のとおり、音声信号に普通の振幅変調をかけると、LSBとUSBが同時にできてラジオのようにAMになってしまいます。また、平衡変調のような回路でキャリヤーもキャンセルしないと漏れてきます。不要な逆サイドバンド(USB)とキャリヤーを阻止して、LSBだけを作るためには、つぎの3つの方法が知られています。
・フィルター方式
変調した信号からLSBだけをフィルターで切り取って使う方式です。写真はSSBフィルターの一例です。フィルターの周波数は、その時代の設計の都合で、これまでに455kHz、3.9MHz、9.0MHz、13.9MHzなど色々なものがありました。

・位相方式
位相を90°変えた2つの変調信号を合成することで、不要のサイドバンドを消す方式です。

音声帯域全体の位相を変える回路をPSN (Phase Shift Network)と呼び、何種類かの回路があります。次の図はその一例です。

・第3の方式(Weaver方式)
Weaverさんが発明した方法で、変調する音声信号の周波数帯を半分に分け、位相方式と同様な方法で変調して合成します。
上記の3つの方法の中では、フィルター方式が一番シンプルで分かりやすいのですが、近年ではこの用途のフィルターが簡単に手に入らないため、皆さんにはお勧めできません。
位相方式は、変調をかけるための音声信号全体を2つに分けて両側の間の位相を90°ずらす必要があり、熟練者でないと音声帯域全体を90°に保つのが非常に困難です。また、位相回路の部品は定数が半端な数値で、バラツキが即影響するため、バラツキの少ない部品を特注するか、自分で測定して選別する必要があります。
もし、音声帯域の90°の位相と振幅がずれると反対側の不要なサイドバンド(7MHzではUSB)が十分抑圧されず、この付近の周波数を使っている局に迷惑がかかります。元々位相方式は上手に作っても不要なサイドバンドの抑圧は40dB程度で現在の通信状況では不十分です。このようなことから初心者向きとは言えません。
この他いわゆるメリゴ方式(メリーゴーランド方式、巻末のコラム参照)というのがあって、その名のように音声信号を45°ずつ位相を分割し、順次回転させて順番に切り替える方式で、回転方向を変えるとLSBとUSBが切り替わります。技術的には面白いのですが、この位相を変えるPSNのCRの数が多すぎするため、やはり初心者向きとは言えません。
最近の無線機は変調をDSP (Digital Signal Processor) 処理しているものが多いのですが、処理はソフトで行っても方式はこれら3方式のどれかを使っています。
そこで初心者でもその通りに作ればLSBができる、Weaverさんの発明した第3の方式に挑戦してみましょう。この方式の難点は理論が複雑で分かり難いことです。ブロックダイヤグラムで表すと次のようになります。

音声信号は2つの平衡変調器(バランスド・モジュレータ、通称バラモジとも言う)に入力され、2つのバラモジには90°位相の異なる局部発振信号が入力され、それぞれ変調されます。この局部発振信号の周波数は音声帯域のちょうど中央に近い1500Hzとなっています。音声信号でこの局部発振と同じ周波数は0Hzに変換され、それから上下に離れて行くに従って周波数は高くなります。ちょうど音声周波数を1500Hzで折り返した形です。従って音声周波数の下限300Hzは1200Hz (1500Hz-300Hz) に、また2700Hzも1200Hz (2700Hz-1500Hz) となります。これまで音声信号を300Hz~3kHzとしていましたが、SSBでは少し狭帯域が一般的なので、ここでは300Hz~2.7kHzとして扱います。

ブロックダイヤグラムの各部のスペクトラム
周波数変換後は、引き算だけでなく足し算の周波数も作られます。(300Hz~1500Hz)+1500Hz = 1800Hz~3000Hzと、(1500Hz~2700Hz)+1500Hz = 3000Hz~4200Hzです。この方式では1200Hz以上は不要な信号なので1200Hzのローバスフィルターで不要な信号を取り去り、90°位相の異なるVFOの信号と平衡変調して合成すると、1500Hzより上の信号と下の信号が相互にキャンセルと加算され、局部発振の周波数を中心として上の信号と下の信号が再生されるためSSBの信号ができます。LSBとUSBを切り替えるには双方の信号を+するか-するかで切り替わります。従ってSSBを復調するにはVFOより1500Hz高い周波数のBFOが必要です。
なお、SSBにおける運用周波数はキャリヤーの周波数を示すため、この方式での送信周波数はVFOの周波数ではなく、1500Hzプラスした周波数になりますので注意が必要です。
各ブロック毎の波形をまとめたものを、「Weaver方式のSSB」として別に記載しましたので、こちらを参照してこの方式を理解してください。
それではブロックダイヤグラムに従って各部分を細かく検討してみましょう。
6.1 局部発振器 1500Hz
ブロックダイヤグラムにもあるように、できるだけ正確な90°位相の異なる局部発振信号が必要です。信号の周波数が一定なので、一般的にはCRの微分と積分の回路で構成は可能です。しかし、部品定数のバラツキがそのまま位相差に表れるので、どの程度の位相差なのかの測定は困難です。ただ、2つのCRのそれぞれの相対値が合っていればよく、絶対値の精度はあまり影響ありません。Rはテスターで精度よく計れますがCを精度よく計れる測定器を持っている人は少ないと思います。

そこで位相差の少ない回路を考えてみます。1/4分周器の位相差は素子の立ち上がり、立ち下がり時間差以外ほとんどなく、正確な90°位相器として知られています。必要な周波数の4倍の発振器が必要なことが難点ですが、今回はこれを使いたいと思います。
必要な周波数は1.5kHzなので4倍の6kHzの発振器を作ります。下の波形の図のように出力は90°差のある信号となります。


6.2 平衡変調器1
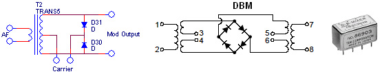
変調器は以前に説明したように周波数変換器でもありますが、2つの信号の乗算器(かけ算)で周波数的には足し算と引き算した周波数が出てきます。回路が平衡していないと不要な局部発振信号が漏れてきますので平衡変調器を使います。ダイオード2個だけでも平衡変調器は作れますが、4個組み合わせてブリッジにしたものがDBM (Double Balanced Modulator)と呼ばれ、市販もされています。

シングルバランス(左)、ダブルバランス(右)の例
変調器は乗算器であると何回も説明しましたが、実はスイッチしても変調器になるのです。今回はダイオードのDBMではなく、CMOSのスイッチング素子で変調器を作ってみます。CMOSの4016または4066はアナログスイッチとしてよく知られており、これを使って変調器を作ってみましょう。実はDBMもほとんどスイッチ動作をしています。実験的にこの部分だけを試験してみます。回路は次のようになっています。


動作としては、AF入力から入ってきた信号はIC1AのOPアンプのバッファを通ってIC2Aのスイッチにつながっています。上側のOPアンプはゲイン1ですが、一方、IC1Aの出力はIC1Bのゲイン1の反転入力にも入力され、OPアンプの反転バッファでIC2Bのスイッチにつながっています。このIC1Bのゲインも1ですが、これはR3とR4でゲインが決まります。従ってゲイン1にするためにはR3とR4の抵抗値ができるだけ近くなければなりません。実際に作る時にはテスターで抵抗をいくつか測り、できるだけ近いものを選んでください。絶対値は影響ありません。このOPアンプ2つの出力は振幅が等しく位相が180°異なる信号になります。
クロック信号はIC2Bのスイッチのコントロール入力に入力されてスイッチ動作を行います。また、クロック信号はIC3Aのインバータにも入力されてクロック信号が反転され、IC1Aのスイッチをコントロールします。つまり、クロック信号でIC1AとIC1Bを交互にスイッチすることになります。また、AF信号も一方が反転されていて、全体の動作は反転した2つのAF信号を交互にスイッチすることになります。



