HW Lab
2026年4月1日掲載
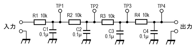
図5および図6の下段に示した4段のRC LPFを実際の抵抗とコンデンサで作ったものが図7上の写真です。抵抗Rを10kΩ、コンデンサCを0.047µF(473)としました。カットオフ周波数(f0)は、約339Hzです。

図7. R=10kΩ、C=0.047µFで構成された4段のRC LPFの基板とその回路図 (TP1~4はテストポイント)
図8左は、1kHzの正弦波を直接WaveSpectraで観測したものです。スクリーン上段の波形は、純粋な1kHzの正弦波です。下段には1kHzの正弦波のスペクトラムを表示しています。これも高調波が含まれていないことが分かります。
図8右は図7に示した4段のRC LPFの入力側に1kHz、デューティー比50%の矩形波を加えたときの出力波形をWaveSpectraで観測したものです。
これが今回の実験の目的とした1kHzの矩形波をRC LPFに通すと正弦波に近づくかどうかの実験結果です。
スクリーンの上段には出力波形、下段にはスペクトラムをそれぞれ表示しています。4段のRC LPFを通すとその出力波形は正弦波にかなり近づいているのが分かります。一見すると正弦波と言われても「そうか」と思うほどです。

図8. 左:純粋な1kHz正弦波の波形 右:1kHzの矩形波をRC LPF 4段に通したときの出力波形

図9. 左: 1kHz矩形波の高調波とそのレベル 右: RC LPF 4段を通した後の高調波とそのレベル
RC LPFを4段通過させると偶数倍の高調波は図9右のスクリーンでも分かりますが、ノイズすれすれのレベルまで低下しており、ほとんど確認できなくなるまで低下しました。
波形の形は正弦波に近くなっても奇数倍の高調波が高レベルで残っているのが分かります。
図9は、RC LPFを何も通さなかった場合(左)と、4段のRC LPFを通過した場合(右)のレベルを比較したものです。3倍の高調波3kHzでは約22dB、5倍の高調波5kHzでは35dB、そして7倍の高調波7kHzでは44dBもの減衰を見ることができます。
RC LPFを4段シリーズ接続にすると矩形波の入力信号でも出力はほぼ正弦波になることが実験で分かりました。それでも奇数倍の高調波がまだはっきりわかるほどスペアナに出ているのは容認しがたいです。
そこで追加の実験として、1kHzの矩形波に対する高調波、3kHz、5kHz、7kHzがLPFの特性で十分減衰するほどのカットオフ周波数とすることでもっとレベルを下げられるのではないかと思い、RC LPFのカットオフ周波数を160Hzぐらいまで落としてRC LPFを作りました。
その回路図とそれぞれの定数を図10に示します。抵抗の値は、10kΩでそのままですが、コンデンサの容量を0.047µF(473)から0.1µF(104)に変更しました。

図10. f0=160Hzの4段RC LPF
図10に示したRC LPF 1段の周波数特性をTC Calculatorで自動計算させたものを図11に示します。この図からも分かるように3kHz付近では1段でも20dB以上の減衰を得ています。

図11. TC Calculatorで自動計算させた周波数特性図 (f0=159.15Hz)
図10の回路を作り、入力に1kHzの矩形波を加えたときの出力の波形と高調波のスペクトラムをWaveSpectraで観測したものが図12です。図9右のスクリーンに出ている奇数倍の高調波と比較すると明らかに減衰していることが伺えます。これに反して基本波となる1kHzの信号レベルも大きく減衰していることがデメリットであり、これらはRC LPFを用いる点でのトレードオフとなります。

図12. f0=159.15Hzとしたときの高調波のスペクトルをWaveSpectraで観測
今回の実験では、オペアンプを使ったアクティブフィルターではなく、単に抵抗とコンデンサだけで構成したパッシブフィルターとしました。このパッシブフィルターの回路には増幅の機能がありませんから入力10Vp-pの矩形波も10kΩと0.047µFで構成したf0=338.63Hzの4段RC LPFに通すと、最終的には8mVp-pまで低下しました。実際の回路内でこの信号を使用するにはレベルが低すぎることも考えられ、トランジスター等で増幅することも必要ですが、なによりもオペアンプを使うより簡単に実現できます。
矩形波を正弦波に近づけるには、見た目の出力波形ではなく波形に含まれた高調波のレベルが問題であることは理解できました。この高調波は、ローパスフィルターのカットオフ周波数を下げることで大きく改善されましたが、RC LPFでの限界も感じました。
宿題は残ったままとなりましたが、3倍の高調波も-45dBとなり、7倍以上の高調波はスクリーンでは確認できないほど減衰したことから今回の実験はこれで終了とします。
TC Calculators: RC ローパスフィルター クロスオーバ周波数とボード線図計算
https://www.trance-cat.com/electrical-circuit-calculators/
日刊工業新聞社: 分かりやすいフィルタ回路入門
WaveSpectra (高速リアルタイムスペクトラムアナライザー)
https://efu.sub.jp/soft/ws/ws.html
CQ出版社 ツール活用シリーズ 電子回路シミュレーター LTspice入門編 著者: 神崎康宏
HW Lab バックナンバー
アマチュア無線関連機関/団体
各総合通信局/総合通信事務所
アマチュア無線機器メーカー(JAIA会員)
©2026 月刊FBニュース編集部 All Rights Reserved.