HW Lab
2026年1月5日掲載

2025年3月号と4月号に本コーナーでそれぞれ第4回 LEDを光源とする可視光線による通信実験(前編)、第5回 可視光線による通信実験(後編)を紹介しました。第4回では光源をLED、第5回では光源をレーザーモジュールとしました。
その後、レーザーモジュールを別のものに交換して通信距離を延そうと試みたところ、単にレーザーモジュールを別のものに交換しただけでしたがレーザー光線に変調が掛かりませんでした。
実験を繰り返し、どのレーザーモジュールでも変調が掛かるように回路を改良したものが今回の装置です。改良版の回路図を含めてご紹介します。
レーザー光を取扱うときは、以下を厳守いただくようお願いします。
・直接レーザー光を見ない。目に障害をもたらす危険があります。
・人や動物にレーザー光を照射しない。
・レーザー光が反射することで予期しない方向に光が飛ぶことがあります。
・鏡や金属などの反射性の高い物体が周囲にある場合は注意が必要です。
・レーザー光を扱う際には、適切なレーザー用保護眼鏡を使用することが推奨されます。
日本産業規格(JIS C 6802)、レーザークラス分類による安全基準において本実験ではクラス2のレーザーモジュールを使用しています。

株式会社 日本レーザーのサイトより引用
第5回 可視光線による通信実験(後編)では、レーザー光線にメロディーICで発生させた信号を被変調波として変調を掛けました。問題なく変調がかかり、光による通信ができました。
今回、レーザーモジュールを前回の赤色からグリーンのレーザーを放つレーザーモジュールに入れ替えたところ変調が掛からなくなったためソーラーパネルで受けた後の信号の状態等を調べました。このときの実験回路を図1、図2に示します。

図1. レーザーモジュールにAGの信号を加え受信側で電圧の変化を確かめる(電圧計は振れる)

図2. ソーラーパネルで受けた信号を、AFアンプを通して聞いてみる(音は全く聞こえない)
図1、図2の何れの方法でも送信側の被変調波の信号を捉えることができませんでした。図1では、ソーラーパネルにレーザー光線が照射されているときは、ソーラーパネルは発電し、電圧計の針は振れました。図2では、スピーカーから音が全く聞こえないことからレーザーモジュールから照射される光に変調が掛かっていないことが分かりました。
回路は、前回の実験で使用した回路そのままです。単にレーザーモジュールを入れ替えたにすぎませんでしたが、全く変調が掛からない状態でした。参考ですが今回使用したレーザーモジュールはレーザー光の色は異なりますが、クラス2のレベルのもので、前回の実験と同じクラスのものです。
前回の実験と今回の実験の違いはレーザーモジュールが異なったことでレーザーモジュールに印加する電圧が異なったことです。また、レーザーモジュールに流れる電流も異なりました。前回の実験では、レーザーモジュールの定格電圧として三端子レギュレーターで作った5Vの出力にシリコンダイオード3本を通してレーザーモジュールに電圧を印加しました。シリコンダイオードの順方向電圧は約0.7Vですから2.9Vがレーザーモジュールに印加されたことになります。

図3. 今回の製作で使用したグリーンのレーザー光線を照射するレーザーモジュール(クラス2)
今回使用したグリーンのレーザー光線を発するレーザーモジュールの定格電圧は3~5Vです。よって5Vの三端子レギュレーターの出力にシリコンダイオードを1本通して4.3Vをレーザーモジュールに印加しました。違いはこの電圧だけでしたが、全く変調が掛かりませんでした。
レーザーモジュールに印加する電圧を定格内で徐々に低下させると変調の掛かるポイントのあることが実験で分かりました。これは、さらに別のレーザーモジュールに入れ替えたときでも同じで、再現性がありました。
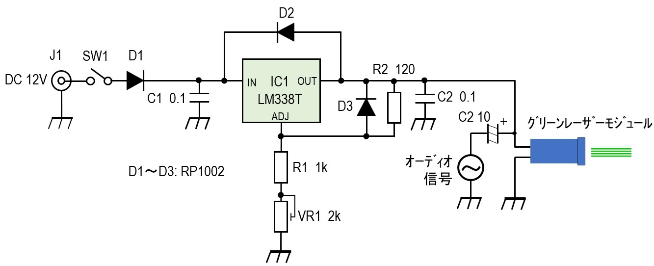
シリコンダイオードを直列に接続すると約0.7Vずつ電圧降下を生じさせることができますがその中間はできないことから、出力電圧を可変できる三端子レギュレーター(LM338T)を用いてレーザーモジュールに電圧を加えることにしました。図4がその回路です。
図中LM338Tは本コーナー第11回 三端子レギュレーターを使った1.2~15V/3A定電圧電源の製作で使用した三端子レギュレーターです。VR1を回すことで出力電圧が最低1.2Vから可変することができます。
次ページは「送信部の全回路図と回路説明」
HW Lab バックナンバー
アマチュア無線関連機関/団体
各総合通信局/総合通信事務所
アマチュア無線機器メーカー(JAIA会員)
©2026 月刊FBニュース編集部 All Rights Reserved.