My Project

当局が毎年フリーマーケットブースを出している関西アマチュア無線フェスティバルがこの2年連続で中止になり、手元の余剰部材は増えるばかりです。今年こそ通常開催されることを願っています。
今までのように、明らかにストックが多すぎたり、もう使わなかったりする部品をそのまま売るだけでなく、特定の回路を作れる「部品セット」という形にして売るのも面白いのではないかと考えました。
今回は、「ビギナー向け電子工作キットを企画してみる」試みで、コンセプトから回路、説明書、パッケージを考えて試作品を作ってみます。

当局の持っている余剰部材の例(小型スピーカー90個)。もはや個人で使い切れる量ではない。
キッズでも作れるように、ブレッドボードを使ってパーツを挿し込むだけで回路を組めるキットにします。半田ごてを使わないので安心です。近頃はキッズたちにも親しみやすいカラフルなブレッドボードもあります。説明書にある図の通りに部品を差し込めば回路を組めます。

パステルカラーが可愛い小さなブレッドボード。
では、どんな回路にしましょうか? 初歩の電子工作でおなじみのLEDは外せないと思います。ただ、2個のLEDが交互に点滅するだけのよくある作例(マルチ非安定バイブレーター回路)は、最近のキッズには物足りないでしょう。また、前述のように大量にあるスピーカーを消費したいところです。そこで、「ある程度実用性のある光や音が出る回路」が良いのではないかと思いました。
あらかじめソフトを書き込んだマイコンを“ファンクションIC”として使うことで部品点数を減らします。しかも、マイコンには2種類のプログラムを書き込んでおき、2通りの回路を組めるようにします。
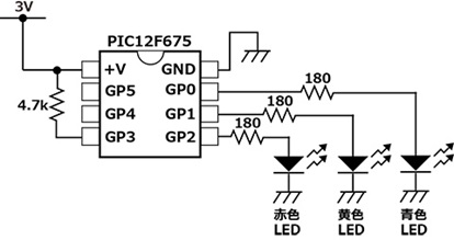
3つのLEDが順番に光る簡単な回路です。3色のLEDが実際の信号機のように点灯します。マイコンでLEDに電圧を供給するタイミングを制御します。GP3ポートを4.7kΩの抵抗でプルアップすることで、マイコン内部の『信号機』のプログラムを選択しています。

『信号機』の回路。
まずは練習がてらこの信号機を組んでもらいます。ブレッドボードにリード部品を挿して回路を組むことを体験してもらうことが狙いです。おそらく、ビギナーは部品を差し込む位置やLEDの極性を間違えるでしょう。正しく部品を接続できたら青黄赤のLEDが信号機のように点灯しますが、すぐに飽きてしまうと思います。そこで、もう一つの回路『3分間タイマー』にチャレンジしてもらいます。
3分間を計るタイマーで、3分経つとアラームが鳴ります。また、LEDの点滅速度が時間の経過を表します。スイッチにはタッチセンサーを使い、待機電力はほぼゼロなので実用的です。
『信号機』よりも部品点数が多くトランジスタ・スイッチ回路を使っていることから、トランジスタの動作を学べます。『信号機』は練習用で、こちらの回路が本命です。GP3ポートをGNDに落とすことで、マイコン内部の『3分間タイマー』のプログラムを選択しています。

『3分間タイマー』の回路。トランジスタ・スイッチを使っていてやや複雑になっている。
電子工作をしたことが無いキッズ向けという想定で、必要な部品すべてを同梱します。なおかつ、部品コストをできるだけ抑えられるよう工夫します。材料費は¥500以内に収めました。

試作キットの中身。抵抗器は足を適度な長さに切って曲げてある。
部材:
・IC(プログラム書き込み済みPICマイコン)
・ブレッドボード・スピーカー
・LED: 3本
・トランジスタ: 2SC1815と2SA1015 各1個
・抵抗器: 6本(180Ω、470Ω、4.7kΩの3種類)
・コンデンサ: 2本
・ジャンパー線: 4本
・説明書(実体配線図+α)
基本的に実体配線図の通りに組んで完成させられると思いますが、簡単な回路動作説明も欲しいところです。しかし、「トランジスタとはなんぞや」などと個々の部品の説明から始めるのは長くなりますし、キッズがそこまで読むか分かりません。プログラミング教育も同じですが、初めは「要はこういうものだよ」といったユルい説明でよいと思います。

組み立て説明用に描いた、『信号機』(左)と『3分間タイマー』(右)の実態配線図。
私が初めて作ったキットは、(株)イーケイジャパン(エレキット)の『FMワイヤレスマイク』です。小さな基板にリード部品を半田付けして組みました。コイルのコアを回して発振周波数を調整するのですが、コアドライバーは付いていませんでした。眼鏡用のマイナスドライバーで回すうちに割れてしまい、キットごと買い直した覚えがあります。その後、FCZ研究所の『アクリル製コアドライバーキット』(アクリル角棒を自分で削ってコアドライバーに成形するというもの)を使いました。
なお、回路説明はありませんが、回路図に加えてブロック図が載っていたと思います。当時、私は回路図にあるGNDのマークの意味が分からなかったのでハムショップの店員さんに教えてもらいました。

当時私が作った『FMワイヤレスマイク』キット。現在でも販売されている。
こうしてキットの試作品を作ってみました。同梱の製作説明書は、実際には注意事項や回路の説明を盛り込みたいところです。

キットの試作品。市販のキットに見える。

イラストソフトで描いた組み立て説明書。

開封前のパッケージ(左)と、キットを組み立てたところ(右)。
余っている部品を使って回路を改造する情報を追加しました。改造はブレッドボードを使っているからこそできます。

余った部品で増幅回路を組んだ例。回路図から部品の配置を考えるチャレンジ。
さて、このキットを『関西アマチュア無線フェスティバル(KANHAM2022)』(※)で販売したいと考えています。売値は、利益を乗せずに部品代のみとして¥500にする予定です。もっと安くしたいのですが、ブレッドボードとマイコン(PIC12F675)が高いので仕方ありません。
もちろん、手持ちの余剰品だけでは量産できないので、適宜必要なパーツを買い集める必要があります。また、説明書ももっと内容を増やして親切になるように改良するつもりです。
※今年こそ通常開催されることを願いましょう。
今回、初めて電子工作キットを考えてみましたが、難易度、コスト、説明の3つの要素の兼ね合いが難しいことが分かりました。あれこれ親切過ぎても簡単すぎてチャレンジ性が損なわれてしまいますし、逆に自分で考えたり調べたりする部分が多すぎても途中で放り出されてしまうでしょう。
昔は、欲しいけど完成品が高価だったり一般に市販されていなかったりするので、キットで買って作っていました。なので、その分「完成させたい!」というモチベーションが高かったと思います。ところが、今は画面の中で完結してしまう遊びがほとんどで、手で物を動かす遊び(ハード・トイ)が少なくなりました。こんな時代のキッズは、うまく“誘導”しないと電気・電子回路へ興味を持ってもらえないと思います。
さて、プリント基板ではなくブレッドボードを使ったキットは、半田ごてを使わず安全なことと、自分で回路を組み変える楽しみがあります。これは、私も子どもの頃にハマった『レゴ・ブロック』とちょうど同じです。最初は説明書通りに組んで遊びますが、しばらくすると自分の好きなように組み替えて遊びたくなるのです。こういう「遊びの本質」は時代で変わらないと思います。
My Project バックナンバー
2022.11.15
11月号後半の記事をアップしました
2022.11.1
11月号の記事をアップしました
2022.10.17
10月号後半の記事をアップしました
2022.10.3
10月号の記事をアップしました
2022.9.15
9月号後半の記事をアップしました
2022.9.1
9月号の記事をアップしました
2022.8.15
8月号後半の記事をアップしました
2022.8.1
8月号の記事をアップしました
2022.7.15
7月号後半の記事をアップしました
2022.7.1
7月号の記事をアップしました
2022.6.15
6月号後半の記事をアップしました
トップページに表示する表紙写真を募集中です。横1000x縦540ピクセルのサイズでご自慢の写真をメール添付でご送付ください。(infoアットマークfbnews.jp) 採用者には、月刊FB NEWSロゴ入りマグネットバーを送らせていただきます。 なお「撮影者: JL3ZGL」の様に表記させていただきますが、表記不要の方は、その旨合わせてご連絡ください。
2022.6.1
6月号の記事をアップしました
6月4日(土)、JH1CBX/3が14MHz SSBに初オンエアします。
入感がありましたらぜひお声がけください。
2022.5.16
5月号後半の記事をアップしました
2022.5.2
5月号の記事をアップしました
5月14日(土)、JL3ZGLはオペレーターにMasacoさんを迎えHAMtte交信パーティに
参加します。詳しくは4月号のニュースをご確認ください。
2022.4.15
4月号後半の記事をアップしました
2022.4.1
4月号の記事をアップしました
2022.3.15
3月号後半の記事をアップしました
2022.3.1
3月号の記事をアップしました
2022.2.15
2月号後半の記事をアップしました
2022.2.1
2月号の記事をアップしました
2022.1.17
1月号後半の記事をアップしました
2022.1.5
1月号の記事をアップしました
トップページに表示する表紙写真を募集中です。横1000x縦540ピクセルのサイズでご自慢の写真をメール添付でご送付ください。(infoアットマークfbnews.jp)
採用者には、月刊FB NEWSロゴ入りマグネットバーを送らせていただきます。
なお「撮影者: JA3YUA」の様に表記させていただきますが、表記不要の方は、その旨合わせてご連絡ください。
2021.12.15
12月号後半の記事をアップしました
2021.12.1
12月号の記事をアップしました
2021.11.15
11月号後半の記事をアップしました
2021.11.01
2021年11月号の記事をアップしました
2021.10.15
10月号後半の記事をアップしました
2021.10.01
2021年10月号の記事をアップしました
2021.09.15
9月号後半の記事をアップしました
2021.09.01
2021年9月号の記事をアップしました
2021.08.16
8月号後半の記事をアップしました
2021.08.02
2021年8月号の記事をアップしました
2021.07.15
7月号後半の記事をアップしました
2021.07.01
2021年7月号の記事をアップしました
2021.06.15
6月号後半の記事をアップしました
2021.06.01
2021年6月号の記事をアップしました
2021.05.17
5月号後半の記事をアップしました
2021.05.06
2021年5月号の記事をアップしました
2021.04.15
4月号後半の記事をアップしました
2021.04.01
2021年4月号の記事をアップしました
連載記事 Masacoの「むせんのせかい」はコロナ禍の影響により、取材ができない状況が続いており、状況が改善されるまで不定期掲載とさせていただきます。よろしくお願いいたします。
2021.03.15
3月号後半の記事をアップしました
連載記事「今月のハム」はコロナ禍の影響により、取材ができない状況が続いており、状況が改善されるまで不定期掲載とさせていただきます。よろしくお願いいたします。
2021.03.01
2021年3月号の記事をアップしました
2021.02.15
2月号後半の記事をアップしました
2021.02.01
2021年2月号の記事をアップしました
2021.01.15
1月号後半の記事をアップしました
2021.01.05
2021年1月号の記事をアップしました
2020.12.15
12月号後半の記事をアップしました
2020.12.01
2020年12月号の記事をアップしました
2020.11.16
11月号後半の記事をアップしました
2020.11.02
2020年11月号の記事をアップしました
2020.10.15
10月号後半の記事をアップしました
2020.10.01
2020年10月号の記事をアップしました
2020.09.15
9月号後半の記事をアップしました
2020.09.01
2020年9月号の記事をアップしました
2020.08.17
8月号後半の記事をアップしました
2020.08.03
2020年8月号の記事をアップしました
2020.07.15
7月号後半の記事をアップしました
2020.07.01
2020年7月号の記事をアップしました
2020.06.15
6月号後半の記事をアップしました
2020.06.01
2020年6月号の記事をアップしました
2020.05.01
2020年5月号の記事をアップしました
2020.04.15
4月号後半の記事をアップしました
2020.04.01
2020年4月号の記事をアップしました
2020.03.16
3月号後半の記事をアップしました
2020.03.09
JARD、eラーニングでのアマチュア無線国家資格取得を呼び掛けるお知らせを、臨時休校で自宅待機中の小中高生に向けて発表。詳しくはこちら。
2020.03.02
2020年3月号の記事をアップしました
2020.02.17
2月号後半の記事をアップしました
2020.02.03
2020年2月号の記事をアップしました
2020.01.15
1月号後半の記事をアップしました
2020.01.06
2020年1月号の記事をアップしました
2019.12.16
12月号後半の記事をアップしました
2019.12.02
2019年12月号の記事をアップしました
2019.11.15
11月号後半の記事をアップしました
2019.11.01
2019年11月号の記事をアップしました
2019.10.15
10月号後半の記事をアップしました
2019.10.01
2019年10月号の記事をアップしました
2019.09.17
9月号後半の記事をアップしました
2019.09.02
2019年9月号の記事をアップしました
2019.08.16
8月号後半の記事をアップしました
2019.08.01
2019年8月号の記事をアップしました
2019.07.16
7月号後半の記事をアップしました
2019.07.01
2019年7月号の記事をアップしました
2019.06.17
6月号後半の記事をアップしました
2019.06.01
2019年6月号の記事をアップしました
2019.05.20
5月号後半の記事をアップしました
2019.05.07
2019年5月号の記事をアップしました
2019.04.15
4月号後半の記事をアップしました
2019.04.01
2019年4月号の記事をアップしました
2019.03.15
3月号後半の記事をアップしました
2019.03.01
2019年3月号の記事をアップしました
2019.02.15
2月号後半の記事をアップしました
2019.02.01
2019年2月号の記事をアップしました
2019.01.18
1月号後半の記事をアップしました
2019.01.07
2019年1月号の記事をアップしました
2018.12.17
12月号後半の記事をアップしました
2018.12.01
2018年12月号の記事をアップしました
2018.11.15
11月号後半の記事をアップしました
2018.11.01
2018年11月号の記事をアップしました
2018.10.15
10月号後半の記事をアップしました
2018.10.01
2018年10月号の記事をアップしました
2018.09.15
9月号後半の記事をアップしました
2018.09.01
2018年9月号の記事をアップしました
2018.08.17
8月号後半の記事をアップしました
2018.08.01
2018年8月号の記事をアップしました
2018.07.17
7月号後半の記事をアップしました
2018.07.02
2018年7月号の記事をアップしました
2018.06.15
6月号後半の記事をアップしました
2018.06.01
2018年6月号の記事をアップしました
2018.05.15
5月号後半の記事をアップしました
2018.05.01
2018年5月号の記事をアップしました
2018.04.16
4月号後半の記事をアップしました
2018.04.02
2018年4月号の記事をアップしました
2018.03.15
3月号後半の記事をアップしました
2018.03.01
2018年3月号の記事をアップしました
2018.02.15
2月号後半の記事をアップしました
2018.02.01
2018年2月号の記事をアップしました
2018.01.15
1月号後半の記事をアップしました
2018.01.05
2018年1月号の記事をアップしました
2017.12.15
12月号後半の記事をアップしました
2017.12.1
12月号をアップしました
2017.11.15
11月号後半の記事をアップしました
2017.11.1
11月号をアップしました
2017.10.16
10月号後半の記事をアップしました
2017.10.2
10月号をアップしました
2017.9.15
What a healthy time! ~健康を応援する特別なお料理~/第3回 食物繊維たっぷり! 海藻の和風リゾット、FB Monthly Fashion/第9回 秋っぽい柄&色コーデ、子供の無線教室/第9回 「アンテナの形や大きさに注目!!」を掲載しました
2017.9.4
<速報>ハムフェア2017を掲載しました
2017.9.1
9月号をアップしました
2017.8.17
What a healthy time! ~健康を応援する特別なお料理~/第2回 和風のポトフ 納豆ソース添え、FB Monthly Fashion/第8回 夏のお出かけコーデ、子供の無線教室/第8回 「無線機にはどんなものがあるの?」を掲載しました
2017.8.1
8月号をアップしました
2017.7.18
What a healthy time! ~健康を応援する特別なお料理~/第1回 メロンの冷製スープ ナッツのアイスクリームのせ、FB Monthly Fashion/第7回 コットンTシャツコーデとボーイズコーデ、子供の無線教室/第7回 「電波はどうやって海外や宇宙に届くの?」を掲載しました
2017.7.1
7月号をアップしました
2017.6.15
What a tasty time! ~グルメYLたちのGirl'sトーク♥~/第9回 FB Girlsの野望 with ムースと甘エビのタルタル、FB Monthly Fashion/第6回 雨の日コーデと親子コーデ、子供の無線教室/第6回 「電波はいろいろなところで大活躍!!」を掲載しました
2017.6.1
6月号をアップしました
2017.5.15
What a tasty time! ~グルメYLたちのGirl'sトーク♥~/第8回 番外編 春うらら♪豪華弁当でお花見、FB Monthly Fashion/第5回 ブラウス&シャツを使ったコーディネート、子供の無線教室/第5回 「周波数によって変わる、電波の特徴」を掲載しました
2017.5.1
5月号をアップしました
2017.4.17
What a tasty time! ~グルメYLたちのGirl'sトーク♥~/第7回 ARDFの思い出 with 2種類のソースのカルボナーラ、FB Monthly Fashion/第4回 Gジャンを使ったコーディネート、子供の無線教室/第4回 「電波の性質を覚えよう」を掲載しました
2017.4.1
4月号をアップしました
2017.3.15
What a tasty time! ~グルメYLたちのGirl'sトーク♥~/第6回 初めてのQSOの思い出 with グリーンのアクアパッツァ、FB Monthly Fashion/第3回 ピンクを使ったコーディネート、子供の無線教室/第3回 「電波はどうやって伝わるの?」を掲載しました
2017.3.1
3月号をアップしました
2017.2.15
What a tasty time! ~グルメYLたちのGirl'sトーク♥~/第5回 FB Girlsの試験の思い出 withウマ辛和風スープ、FB Monthly Fashion/第2回 デニムと明るめニットのコーディネートを掲載しました
2017.2.1
2月号をアップしました
2017.1.16
What a tasty time! ~グルメYLたちのGirl'sトーク♥~/第4回 YLハムを増やす秘策とは?! withおなかにやさしいお料理、【新連載】FB Monthly Fashion/第1回 アウター別おすすめコーディネート(ライダース・ノーカラー・ダッフル)を掲載しました
2017.1.5
1月号をアップしました
2016.12.15
What a tasty time! ~グルメYLたちのGirl'sトーク♥~/第3回 YLハムの行く年来る年 with ブイヤベースの洋風お鍋を掲載しました
2016.12.1
12月号をアップしました
2016.11.15
FB Girlsが行く!!~元気娘がアマチュア無線を体験~/<第3話>元気娘、秋の休日を楽しむ!!(後編)!、What a tasty time! ~グルメYLたちのGirl'sトーク♥~/第2回 YLハムの悩み解決!with サケのフレンチトーストを掲載しました
2016.11.1
11月号をアップしました
2016.10.17
FB Girlsが行く!!~元気娘がアマチュア無線を体験~/<第3話>元気娘、秋の休日を楽しむ!!(前編)!、【新連載】What a tasty time! ~グルメYLたちのGirl'sトーク♥~/第1回 FB GirlsのプライベートQSO with 土瓶蒸しのリゾットを掲載しました
アマチュア無線関連機関/団体
各総合通信局/総合通信事務所
アマチュア無線機器メーカー(JAIA会員)
次号は 12月 1日(木) に公開予定
©2026 月刊FBニュース編集部 All Rights Reserved.